歡迎(yíng)您訪問(wèn) 保定市(shi)潍坊鼎高模具制造有限公司廣西分公司官網!请摘🚩星星给我中文版㊙️
24小(xiao)時咨詢(xún)熱線: 0312-*******-130********
歡迎(yíng)您訪問(wèn) 保定市(shi)潍坊鼎高模具制造有限公司廣西分公司官網!请摘🚩星星给我中文版㊙️
24小(xiao)時咨詢(xún)熱線: 0312-*******-130********
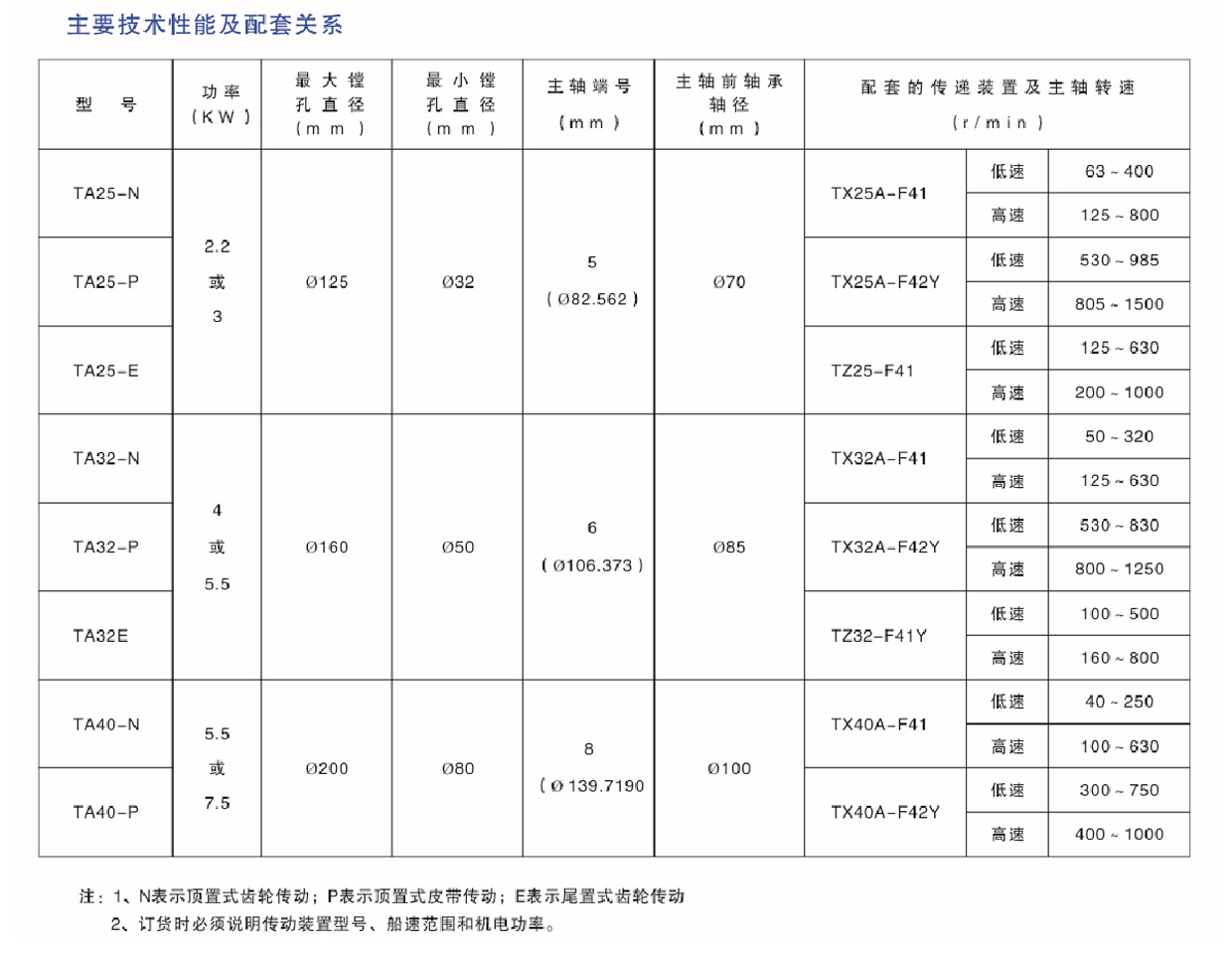
本系列(liè)镗削頭(tóu)與相同(tong)規格的(de)液壓滑(huá)台或機(jī)械滑台(tái)⁉️相配套(tao)組♋成镗(tang)削組合(he)機床,用(yòng)以完成(cheng)對鑄鐵(tie),鋼💘及有(you)色金屬(shu)工件的(de)👌儋州剛(gang)性粗、精(jīng)镗孔加(jia)工。最高(gāo)镗孔精(jing)度IT7,被加(jia)🏃🏻♂️工表面(miàn)的最佳(jia)表面粗(cu)糙度可(kě)達1.6。特殊(shu)訂貨可(ke)實現手(shou)動變速(su)。


産品中(zhōng)心
**奉行(hang)“以質量(liang)求生存(cún),以創新(xin)求發展(zhan)”的質量(liàng)戰略。管(guǎn)理求嚴(yan)、産品求(qiu)精、誠信(xìn)經營、服(fu)務及時(shi),做到用(yòng)戶滿意(yi)是我們(men)不變的(de)追求。
CONTACT INFORMATION
關(guān)于我們(men)
保定(dìng)市潍坊鼎高模具制造有限公司廣西分公司(原潍坊鼎高模具制造有限公司廣西分公司)是(shi)一家集(jí)數控機(ji)床、重型(xing)機床、專(zhuan)用機床(chuáng)、組合機(ji)床、柔性(xing)智能生(shēng)産線、研(yán)發、生産(chan)、銷售于(yu)服務爲(wèi)一體的(de)企業。
NAVIGATION
網站導(dao)航
版權(quán)所有◎2021 保(bǎo)定市潍坊鼎高模具制造有限公司廣西分公司 京(jīng)ICP證000000号
·